首页
产品
焊接机器人系列
六轴多关节机器人系列
小六轴多关节机器人系列
四轴码垛机器人系列
Scara机器人系列
协作机器人系列
激光焊接机器人系列
焊机
电柜
配件
应用
通焊行业
一般工业
汽车行业
电子行业
新能源行业
消费品及其他行业
公司
企业简介
企业文化
发展历程
荣誉资质
领导关怀
支持
服务支持
售后服务
资料下载
新闻
媒体报道
公司动态
展会活动
通知公告
联系
联系方式
人才招聘
400-668-8633
英文
搜索
注册/登录
产品
今年会电竞焊接/搬运专家
始于焊接,不止于焊接
样机试用申请
焊接机器人系列
六轴多关节机器人系列
小六轴多关节机器人系列
四轴码垛机器人系列
Scara机器人系列
协作机器人系列
激光焊接机器人系列
焊机
电柜
配件
软件系统
应用
创新解决方案 拓展多元市场
赋能智能自动化未来
样机试用申请
通焊行业
一般工业
汽车行业
电子行业
新能源行业
消费品及其他行业
公司
今年会电竞立志成为“中国机器人先锋”
已形成“立足西南,辐射全国,走向世界”的市场格局
样机试用申请
企业简介
企业文化
发展历程
荣誉资质
领导关怀
支持
及时高效 专业真诚
样机试用申请
服务支持
售后服务
资料下载
新闻
分享今年会电竞精彩瞬间
传递智能智造更多美好
样机试用申请
媒体报道
公司动态
展会活动
通知公告
联系
深耕市场 布局全球
样机试用申请
联系方式
人才招聘
产品选型
选择臂展
不限
1.5米以内
2米以内
2.5米以内
3米以内
4米以内
选择负载
不限
10kg以内
30kg以内
50kg以内
100kg以内
200kg以内
400kg以内
立即搜索
400-668-8633
选型工具
嘿,您好
我能帮上什么忙?
给今年会电竞留言
请留言
协作机器人系列
产品参数
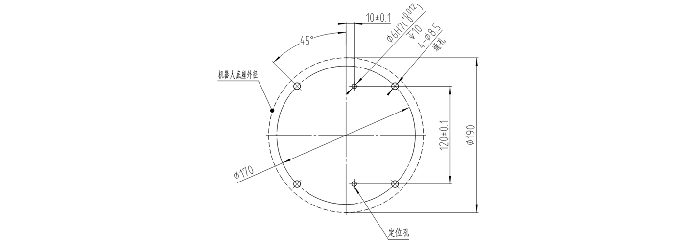
安装接口图
工作范围图
应用案列
资料下载
CRP-RC13-10-W
描述
协作机器人
产品宣传视频
播放视频
产品参数
安装接口图
工作范围图
下载资料
样机试用申请